|
H41J衬胶止回阀-上海铁王阀门
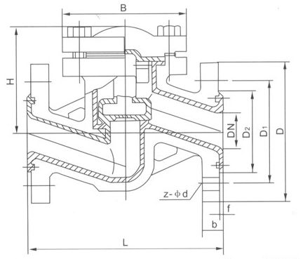
H41J衬胶止回阀产品用途:专用于控制非腐蚀性或一般腐蚀性介质,阀体内腔表面无衬里或覆有可供选择的各种橡胶、适用于不同工作温度和液体管路。 产品特点:是一种依靠介质本身的流动而自动启闭阀瓣用来阻止介质逆向流动的自动阀门。 H41J衬胶止回阀的详细资料: ◆结构图片
 ◆衬胶止回阀主要零部件材料表
| 序号 |
零件名称 |
灰铸铁 |
铸钢 |
不锈耐酸铸钢 |
超低碳不锈耐酸铸钢 |
| Z |
C |
P |
R |
PL |
RL |
| 1 |
阀体/阀盖 |
HT250 |
WCB |
CF8 |
CF8M |
CF3 |
CF3M |
| 2 |
阀瓣/阀杆 |
35 |
1Cr13 |
1Cr18Ni9 |
1Cr18Ni12Mo2Ti |
00Cr18Ni10 |
00Cr17Ni14Mo2 |
| 3 |
衬里/阀座 |
PCTEF(F3),FEP(F46),PFA(可溶F4),PP,PO |
| 4 |
紧固螺栓 |
WCB |
1Cr17Ni2 |
1Cr18Ni9Ti |
| 5 |
螺母 |
PTFE(F4) |
CF8 |
CF8 |
◆衬胶止回阀主要外形和连接尺寸
| 公称通经 |
L |
D |
D1 |
D2 |
f |
b |
Z-φd |
D |
D1 |
D2 |
f |
b |
Z-φd |
| DN(mm) |
NPS(inch) |
PN1.0MPa |
PN1.6MPa |
| 15 |
1/2 |
130 |
95 |
65 |
45 |
2 |
14 |
4-φ14 |
130 |
95 |
65 |
2 |
14 |
4-φ14 |
| 20 |
3/4 |
150 |
105 |
75 |
55 |
2 |
16 |
4-φ14 |
150 |
105 |
75 |
2 |
16 |
4-φ14 |
| 25 |
1 |
160 |
115 |
85 |
65 |
2 |
16 |
4-φ14 |
160 |
115 |
85 |
2 |
16 |
4-φ14 |
| 32 |
5/4 |
180 |
135 |
100 |
78 |
2 |
18 |
4-φ18 |
180 |
135 |
100 |
2 |
18 |
4-φ18 |
| 40 |
3/2 |
200 |
145 |
110 |
85 |
3 |
18 |
4-φ18 |
200 |
145 |
110 |
3 |
18 |
4-φ18 |
| 50 |
2 |
230 |
160 |
125 |
100 |
3 |
20 |
4-φ18 |
230 |
160 |
125 |
3 |
20 |
4-φ18 |
| 65 |
5/2 |
290 |
180 |
145 |
120 |
3 |
20 |
4-φ18 |
290 |
180 |
145 |
3 |
20 |
4-φ18 |
| 80 |
3 |
310 |
195 |
160 |
135 |
3 |
22 |
4-φ18 |
310 |
195 |
160 |
3 |
22 |
4-φ18 |
| 100 |
4 |
350 |
215 |
180 |
155 |
3 |
22 |
8-φ18 |
350 |
215 |
180 |
3 |
24 |
8-φ18 |
| 125 |
5 |
400 |
245 |
210 |
185 |
3 |
24 |
8-φ18 |
400 |
245 |
210 |
3 |
26 |
8-φ18 |
| 150 |
6 |
480 |
280 |
240 |
210 |
3 |
24 |
8-φ23 |
480 |
280 |
240 |
3 |
28 |
8-φ23 |
| 200 |
8 |
600 |
335 |
295 |
265 |
3 |
26 |
8-φ23 |
495 |
335 |
295 |
3 |
30 |
12-φ23 |
| 250 |
10 |
622 |
390 |
350 |
320 |
3 |
28 |
12-φ23 |
622 |
405 |
355 |
3 |
32 |
12-φ25 |
| 300 |
12 |
698 |
440 |
400 |
368 |
4 |
28 |
12-φ23 |
698 |
460 |
410 |
4 |
34 |
12-φ25 |
| 350 |
14 |
787 |
500 |
460 |
428 |
4 |
30 |
16-φ23 |
787 |
520 |
470 |
4 |
38 |
16-φ25 |
| 400 |
16 |
914 |
565 |
515 |
482 |
4 |
32 |
16-φ25 |
914 |
580 |
525 |
4 |
40 |
16-φ30 |
| 450 |
18 |
978 |
615 |
565 |
532 |
4 |
32 |
20-φ25 |
|
|
|
|
|
|
| 500 |
20 |
978 |
670 |
620 |
585 |
4 |
34 |
20-φ25 |
|
|
产品【衬胶止回阀】 订货须知: 一、①衬胶止回阀产品名称与型号②衬胶止回阀口径③衬胶止回阀是否带附件以便我们的为您正确选型④衬胶止回阀的使用压力⑤衬胶止回阀的使用介质的温度。 二、若已经由设计单位选定的衬胶止回阀型号,请按衬胶止回阀直接向我司销售部订购。 H41J衬胶止回阀-上海铁王阀门资料来自上海铁王阀门有限公司提供,如需转载请注明资料来源:http://www.899sx.com/products/detail/392.html |